欢迎光临
手机网站 | 联系我们:150-2171-6506 | 加入收藏
  • 当前位置:上海韩东机械科技有限公司 > 产品中心 > 气动离合器 > 气动离合器HTP-60旭精工CTHP130同款

    气动离合器HTP-60旭精工CTHP130同款

    产品型号: HTP-60
    品  牌: HD韩东
      价格电议,您可以向供应商询价得到该产品价格
    所 在 地: 上海松江区
    更新日期: 2025-12-02
    详细信息
     品牌:HD韩东  型号:HTP-60  材料:金属  
     规格:HTP-60  扭矩:600  适用范围:工业自动化  
     重量:5  转速:1000+  适用范围:工业自动化  
    气动离合器HTP-60性能简介:
    安装时不用调和齿芯的一体化结构,小型化设计。齿形气动离合器是由两枚全周带齿轮的圆盘在空压作用下咬合,不滑脱,确切传达动力。小型化,高扭矩,传达和旋转数无关联的恒定扭力。和电磁离合器相比,传递扭矩快,连接和放开均在瞬间完成。

    气动离合器HTP-60主要特长:
    HTP型(齿轮型)离合器是由2枚全周带齿轮的圆盘在空气压作用下咬合,不滑脱,结构结实。
    1、高转矩,不滑落
     因由齿轮的咬合来传达转矩,尽管小型,却无滑落,传达巨大的扭矩。
    2、传达的转矩基本为一定值
     因不受安装误差的影响,传达的扭矩和旋转数无关,基本为一定值。
    3、组装简单
    因为是一体化构造,安装时,不需要调齐齿芯。
    4、优越的应答性能
    因连接和放开,均在瞬间动作,齿轮的飞转也并无损伤,寿命长。
    5、可能高速连接
    因是气压作动,所以和电磁式比较,可以实现高速旋转时的连结。
    6.不管是湿式,干式,均可使用。
    主要库存型号:HTP-20,HTP-30,HTP-40,HTP-60,HTP-80,HTP-140,HTP-200,HTP-350

     

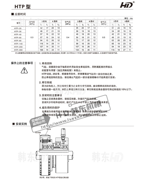
    气动离合器HTP-60操作注意事项:
    1、牵连回转
    气缸活塞部分由于轴承的作用发生的牵连回转用附属配套的带接头的配管专用管(油压用橡胶管)来组止。
    2、牵引转矩
    因为在结构上,到达连接位置为止会发生牵引回转,被动侧前脸会转的场合,和制动器一起并用,来防止牵连回转的发生牵引转矩在离合器所可传达转矩的10%以下。
    3、安装时的注意事项
    往轴上安装离合器时,请按压轮毂。敲打气缸,活塞式不要给与冲击。安装定时滑落和定时齿轮时,用气缸活塞来承受,不要敲打。
    4、超负荷时的保护
    如果超负荷使用会发生跳闸。跳闸后,如果仍保持原样持续运转的话由于齿轮部和球形止动部可能发生破损,所以请停止运转。

     
  • 留言
    标  题: *(必填)
    内  容: *(必填)
    联系人:
    邮  箱:
    手  机:
    固  话:
    *(必填)
    公  司: *(必填)
    地  址: *(必填)