欢迎光临
手机网站
手机扫描访问
|
联系我们:150-2171-6506
|
加入收藏
|
-
当前位置:
上海韩东机械科技有限公司 >
产品中心 >
气动离合制动器 > 上海韩东HACB型气动离合制动器组合
上海韩东HACB型气动离合制动器组合
| 产品型号: |
HACB |
| 品 牌: |
上海韩东 |
|
|
| 所 在 地: |
上海松江区 |
| 更新日期: |
2025-12-02 |
| | 品牌:上海韩东 | | 类型:气动制动器 | | 型号:HACB | |
| | 尺寸:见下图 | | 用途:离合刹车一体 | | 供应商:上海韩东机械 | |
上海韩东HACB气动离合制动器结构组成:
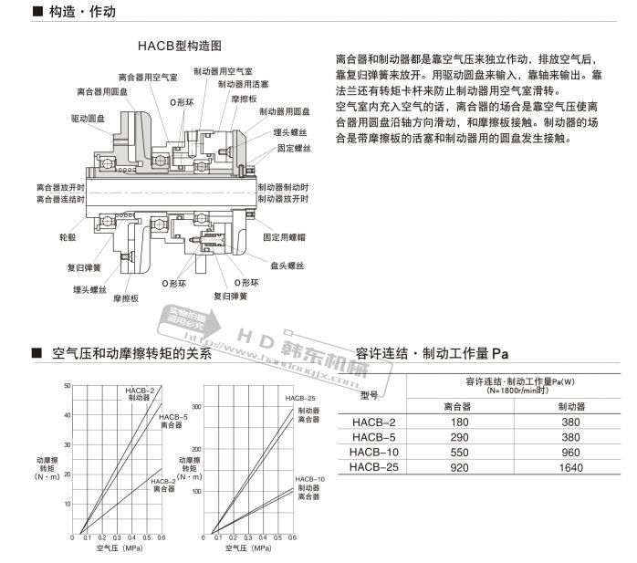
气动离合制动器HACB-H反应快,适用于联接及制动。不拆卸也可交换摩擦片,适用内径范围20-110mm ,当空气压0-4mpa时转距范围为100-4000N.M.离合器和制动器都是靠空气压来独立作动,排放空气后,靠复归弹簧来放开。用驱动圆盘来输入,靠轴来输出。靠法兰还有转矩卡杆来防止制动器用空气室滑转。空气室内充入空气的话,离合器的场合是靠空气压使离合器用圆盘沿轴方向滑动,和摩擦板接触。制动器的场合是带摩擦板的活塞和制动器用的圆盘发生接触。
HACB气动离合制动器主要特长:
1、适合安装到中间轴上
因为离合器和制动器是一体化构造,所以适合于往中间轴上安装。
2、优越的防热性能
因为离合器以及制动器的圆盘上附有冷却片,所以放热性良好,即使过酷使用也没有问题。
3、安装简单
往轴上安装,配管,作业非常简单,可以起到有效地降低成本的作用。
4、结实的构造
根据Air-Champ的来进行设计,使用寿命非常长。
HACB气动离合制动器操作注意事项:
1、安装时要注意的事项;
往轴上安装的场合以及往驱动圆盘上安装V形滑轮,链轮等的场合,注意不要给予冲击。
安装后,要确认圆盘和摩擦板之间的间隙是否保持了0.5~0.8mm的距离。
2、把HACB型固定到机台上;
维持扭矩的是把扭矩卡杆插入付在制动器用空气式的支持孔(2个部位)还有本体的缺口部位。
因为制动器用空气室在运转中,会延轴方向稍微移动,所以使用的卡杆要留出2~4mm的富余长度。
备注:具体安装参数-轴孔直径请来电来函咨询洽谈!
-