-
气动多片离合器BDC40_摩擦式离合器BDC
详细信息| 询价留言品牌:上海韩东 型号:BDC40/60/80 材料:铸铁 规格:BDC40/60/80 扭矩:400+ 适用范围:工业设备、工程车辆、环卫车辆等 重量:6 转速:1500 产地:上海 制造商:韩东机械 转速:1500 产地:上海 气动多片离合器BDC40_摩擦式离合器BDC
气动多片离合器BDC(摩擦式气动离合器)是本公司*早开发的产品之一,经过多年的优化,技术*为成熟,在市场实际操作应用后也得到了普遍的好评。
1.BDC气动离合器产品结构:
BDC型离合器主要由气缸、活塞、精密轴承、碟簧组、铜基摩擦片、钢片等组成。气缸和活塞是离合器的动力源泉,良好的密封效果使得离合器结合迅速,传递扭矩理想;精密轴承起到了分离刚体和旋转轴的作用,本公司采用的是国际*轴承生产商NSK的轴承;碟簧组能够在断气情况下使摩擦片与铜片顺利分离;铜基摩擦片和钢片组有着很好的摩擦效果。
2.动作原理:
自然状态下,与气缸连接端的压盘随着轴一起旋转,驱动端与负载相连,中间的摩擦片组不结合,起到分离作用。当气体通入时,气缸迫使驱动压盘压紧摩擦片组,摩擦片组将扭矩传到驱动端,驱动端从而带动负载一起旋转,起到结合作用。断气时,碟簧使摩擦片组与钢片分离,再次起到分离作用。
气动多片离合器主要优缺点:
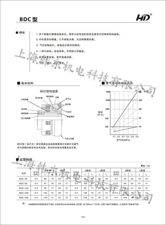
1.多个铜基片摩擦连接单元,体积小但传递的扭矩且是其他同等体积的数倍;
2.内外置双向碟簧,几乎彻底分离.无空转摩擦负载;
3.气压控制执行,良好的密封使连接或分离均在瞬间;
4.一体化结构,安装简单,不用担心同轴度、即可高速连接,更可高速运转;
5.干式、湿式均可使用;
6.由于是金属摩擦,防止升温过高,不能频繁结合,对结合频率有一定的要求。
操作上的注意事项:
1. 气缸的牵连回转
气缸和活塞部分由于轴承的作用发生的牵连回转.用3个45度的槽或Z-M的螺纹来固定或止动.但要止动适当.不能因外界过盈力量使气缸偏、斜而工作不正常;
2. 往轴上安装时注意
往轴上安装离合器时,尽可能使用专用工具对空心轴管加压,切勿冲击气缸或其他易损部位;
3. 带轮、齿轮的轴端安装
带轮或齿轮的径向受力中心尽量对齐法兰内部两组轴承的轴承中心,过分偏置会影响产品的使用寿命;
4. 轴承相关
一般都采用的密封轴承,免维护,少数部分需根据使用环境的关系,通常1至6个月适当补充润滑脂来维护
5. 避免超负荷运转
产品选型时尽量采用转矩1.5倍至2倍的安全系数,过载使用会造成齿面的损坏或降低使用寿命。

多片离合器BDC常见使用的行业:
BDC型目前为清扫车辆专用离合器,针对环卫车设计采用特殊的内部结构,并且获得国家专利。合作厂家有中联重科,福建龙马,徐工集团,重庆迪马,江苏晨丰等公司。在矿山机械领域,上海韩东公司已成为湖南衡阳钢管厂,湖南湘潭钢铁厂,中石化南方项目部,中国一冶,中冶赛迪等多家主要配套供应商。
注:气动多片离合器BDC40_摩擦式离合器BDC更多咨询请电询 -
-
产品搜索
留 言
- 联系人:宋经理
- 电 话:152-0180-5440
- 手 机:15201805440
- 传 真:021-57636570
- 邮 箱:songyulu@sh-handong.com
- 邮 编:201615
- 地 址:上海松江区伴亭路488号
- 网 址: https://shzqwm2016.cn.goepe.com/
http://www.handongjx.com



