欢迎光临
手机网站
手机扫描访问
|
联系我们:150-2171-6506
|
加入收藏
|
-
当前位置:
上海韩东机械科技有限公司 >
产品中心 >
气动离合器 > 输送机气动离合器|气动齿式离合器BTC应用
输送机气动离合器|气动齿式离合器BTC应用
| 产品型号: |
BTC-10/20/40 |
| 品 牌: |
上海韩东 |
|
|
| 所 在 地: |
上海松江区 |
| 更新日期: |
2025-12-02 |
| | 品牌:上海韩东 | | 型号:BTC-10/20/40 | | 材料:铸铁 | |
| | 规格:见下图 | | 扭矩:100+ | | 适用范围:工业 | |
| | 重量:5 | | 转速:1500 | | 适用范围:工业 | |
输送机气动离合器|气动齿式离合器BTC应用
气动齿式离合器BTC型技术参数
产品类别:气动离合器
品 牌:韩东(HD)
产品型号:BTC-10,BTC-20,BTC-40,BTC-60,BTC-80,BTC-120
产品重量:2.9-50kg
扭矩:26-600N.M
轴径范围:20-120mm
转速范围:500-2300r/min
齿形离合器主要特征:
1. BTC型(齿合式)离合器是由两枚平面齿盘在通气时 内部轴向移动来齿合连接,泄压时由复位弹簧自动分离。
2. BTC型齿合式气动离合器为齿合齿的连接传达动力,因此无打滑,动力传达精致。外形小但额传达大扭矩,可在狭小空间使用,其扭矩范围从0.01kgf.m-16600kgf.m的广泛规格可供选择
3. 齿与齿的连接,体积小,但传递的扭矩是其他同等体积的数倍。
4. 1比1定值传递无滑差、无扭矩耗失。
5. 连接或分离均在瞬间,动作灵敏快捷。
6. 一体化结构安装简单,不用担心齿合同轴度。
7. 需低速连接,但可高速运行转。
8. 干式、湿式、均可使用。
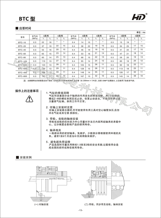
气动齿式离合器BTC技术选型参考图
产品使用说明
1. 气缸的牵连回转
气缸和活塞部分由于轴承的作用发生的牵连回转,用3个45度的槽或Z-M的螺纹来固定或止动。但要止动适当,不能因外界过盈力量使气缸偏、斜而工作不正常。
2. 往轴上安装时注意
往轴上安装离合器时,尽可能使用专用工具对空心轴管加压,切勿冲击气缸或其他易损部位。
3. 带轮、齿轮的轴端安装
带轮或齿轮的径向受力中心尽量对齐法兰内部两组轴承的轴承中心,过分偏置会影响产品的使用寿命。
4. 轴承相关
一般都采用的密封轴承,免维护,少数部分需根据使用环境的关系,通常1至6个月适当补充润滑脂来维护。
5. 避免超负荷运转
产品选型时尽量采用转矩1.5倍至2倍的安全系数,过载使用会造成齿面的损坏或降低使用寿命。
用途/应用领域
使用和针对设备机型:工业自动化、机器人,包装印刷,橡胶轮胎、食品机械、工程机械、各品牌环卫车|洗扫车|扫路车,工程车辆,水泵驱动、电机驱动等传动件
产品别称:气动齿形离合器,气动牙嵌离合器,齿合式离合器
上海韩东机械科技有限公司 致力于“韩东、韩国HAwers ”品牌气动离合器的推广,务求给用户更完美的服务。
联系方式 : QQ:---
公司***:
-