欢迎光临
手机网站
手机扫描访问
|
联系我们:150-2171-6506
|
加入收藏
|
-
当前位置:
上海韩东机械科技有限公司 >
产品中心 >
气动制动器 > 空压通轴式制动器NAB结构原理
空压通轴式制动器NAB结构原理
| 产品型号: |
NAB5/10/20/40 |
| 品 牌: |
上海韩东 |
|
|
| 所 在 地: |
上海松江区 |
| 更新日期: |
2025-12-02 |
| | 品牌:上海韩东 | | 类型:气动制动器 | | 型号:NAB5/10/20/40 | |
| | 尺寸:见下详图 | | 用途:抱轴刹车 | | 产地:上海 | |
| | 供应商:韩东机械 | | 用途:抱轴刹车 | | 产地:上海 | |
产品详情介绍
一、技术参数
产品名称:空压通轴式制动器NAB型
产品类别:气动制动器
品牌:韩东(HD)
产品型号:NAB-5T,NAB-5S,NAB-10T,NAB-10S,NAB-20T,NAB-40T,NAB-65T
(备注:不同型号价格不同)
产品重量:3.5-36kg
扭矩:53-636N.M
轴径范围:25-75mm
转速范围:1600-3600r/min
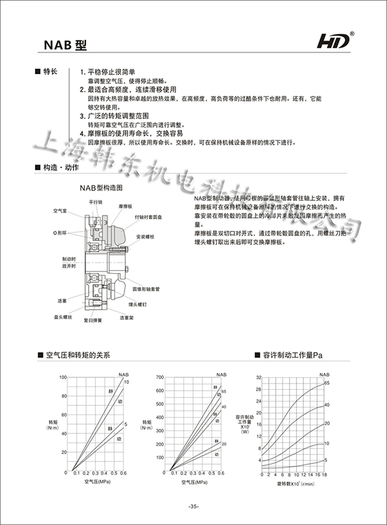
1.NAB(标准型)空压通轴式制动器,是用带楔的圆锥形轴套管往轴上安装,拥有摩擦板可在保持机械设备原样的情况下进行交换的构造。靠安装在带轮毂的圆盘上的冷却片来散发因摩擦而产生的热量, 扭力范围从2到36500N.M。
2.摩擦板是双切口对开式,通过带轮毂圆盘的孔,用螺丝刀把埋头螺钉取出来后即可交换摩擦板。
3.平稳停止而简单
靠调整空气压,使得停止顺畅。
4.适用于高频度,连续滑移使用
因持有大热容量和***的放热效果,在高频度,高负荷等的过酷条件下也耐用。还有,它能够空转使用。
5.广泛的转矩调整范围
转矩可靠空气压在广范围内进行调整。
6.摩擦板的使用寿命长,交换容易
因摩擦板很厚,所以使用寿命长,交换时,可在保持机械设备原样的情况下进行。
三、产品技术选型参考
四、产品使用说明
- 往轴上的安装
NAB型制动器是用圆锥形轴套管按下列顺序往轴上安装。
- 把轴键嵌入轴内,把制动器本体穿过轴。
- 照准键,把圆锥形轴套管安装在嵌入轴锁定的位置处。
- 把圆锥形轴套管的开口和附轴衬套圆盘的螺栓孔对齐,用3根安装螺栓来锁紧。在锁紧时,一边要观看千分表,注意活塞安装面的水平偏差度!
- 往机台上安装
制动器的制动转矩的支撑,用螺栓(4根)来固定法兰部位,还有在本体的切口处放入转矩栓来防止转动。
安装法兰的面和轴的直角度要控制在0.05mm以内。
注)用4根螺栓固定的场合,为了不对制动器轴线的方向产生预负荷,把圆锥形轴套孔管固定到轴上,在确认和机台之间不存在间隙之后进行安装。
五、用途/应用领域
轮胎橡胶,包装印刷,工业自动化、机器人,食品机械,粉碎机,电机制动,轮胎橡胶设备、成型机,自动机,线材机械,板材机械,填充机械, 合板制造、搬送机械, 制药机械, 伸线材、纤维机械, 金属加工, 合板制造机械, 制粉设备, 轮胎成型机, 造纸机械,升降装置等行业。
六、产品图片
七、品牌介绍
本公司“韩东”在中国是早期开发动力传动装置气动离合器及制动装置气动刹车的公司之一,现在生产的齿型类气动离合器,通轴类离合器刹车在各种工业机械广泛应用,为了适应高速发展的工业机械和设备行业,本公司一直致力于新产品的研究和开发。特别是本公司时刻铭记离合器和刹车的缺点会给使用者带来巨大损失,所以自”韩东“成立的那天起一直坚持努力生产出高品质的产品。经过多年努力,我公司离合器刹车已在工业各种机械,船舶业使用,我们的目的很简单,只要我们的产品能对客户提供帮助,我们会努力耐心倾听顾客的要求和建议,期待您与”韩东“的合作。
八、售后服务:
我们公司的产品均保质一年,且良好的售后服务及技术指导,是我们一贯秉持的售后宗旨,如有问题,及时联系我们,我们会在*时间给您一个满意的售后,解决一切问题,请放心使用。
上海韩东机械科技有限公司 致力于“韩东、韩国HAwers 、美国伊顿”品牌离合器、制动器等传动件的推广和销售,更多技术选型及报价请联系我们!
联系方式: QQ:---
公司商铺:
公司***:
-