当前位置:
上海韩东机械科技有限公司 >
产品中心 >
气动离合器 > HD韩东齿形牙嵌离合器类型
HD韩东齿形牙嵌离合器类型
| 产品型号: |
BTC/HTP/HBS |
| 品 牌: |
HD韩东 |
|
|
| 所 在 地: |
上海松江区 |
| 更新日期: |
2025-12-02 |
| | 品牌:HD韩东 | | 型号:BTC/HTP/HBS | | 材料:铸铁 | |
| | 规格:见下图 | | 扭矩:200+ | | 适用范围:轮胎橡胶/工程环卫车辆 | |
| | 重量:12kg | | 转速:1200 | | 产地:上海 | |
| | 供应商:韩东机械 | | 转速:1200 | | 产地:上海 | |
HD韩东齿形牙嵌离合器类型介绍
一、气动齿式离合器BTC型
产品类别:气动离合器
品 牌:韩东(HD)
产品型号:BTC-10,BTC-20,BTC-40,BTC-60,BTC-80,BTC-120
产品重量:2.9-50kg
扭矩:26-600N.M
轴径范围:20-120mm
转速范围:500-2300r/min
齿形离合器主要特征:
1. BTC型(齿合式)离合器是由两枚平面齿盘在通气时 内部轴向移动来齿合连接,泄压时由复位弹簧自动分离。
2. BTC型齿合式气动离合器为齿合齿的连接传达动力,因此无打滑,动力传达精致。外形小但额传达大扭矩,可在狭小空间使用,其扭矩范围从0.01kgf.m-16600kgf.m的广泛规格可供选择
3. 齿与齿的连接,体积小,但传递的扭矩是其他同等体积的数倍。
4. 1比1定值传递无滑差、无扭矩耗失。
5. 连接或分离均在瞬间,动作灵敏快捷。
6. 一体化结构安装简单,不用担心齿合同轴度。
7. 需低速连接,但可高速运行转。
8. 干式、湿式、均可使用。
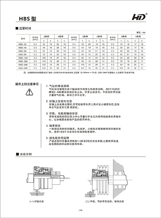
二、气动内齿离合器HBS型
产品类别:气动离合器
品牌:韩东(HD)
产品型号:HBS-20 HBS-40 HBS-60 HBS-80 HBS-120 HBS-200 HBS-300 HBS-400
(备注:不同型号价格不同)
产品重量:3.2-31.8kg
扭矩:200-4000N.M
轴径范围:25-110mm
转速范围:700-2000r/min
产品特征描述
HBS型(内齿式)离合器是由两枚内外齿盘在通气时内部轴向移动来齿合连接,泄压时由复位弹簧自动分离。
- 由两枚内外齿来连接,特别适合安装在各种传动轴部,只要有空气压,就不会滑落,体积小,但传递的扭矩且是其他同体积的数倍。
- 内置复位弹簧,泄压即刻彻底分离。无任何空转负载。
- 气压控制执行,链接或分离均在瞬间。
- 一体化结构,安装简单,不用担心同轴度。
- 需低速或静态连接,连接确实后可高速运转。
- 干式、湿式、均可使用。
三、牙嵌齿式离合器HTP型
产品类别:气动离合器
品牌:韩东(HD)
产品型号:HTP-20 HTP-30 HTP-40 HTP-60 HTP-80 HTP-140 HTP-200 HTP-350
(备注:不同型号价格不同)
产品重量:3.2-31.8kg
扭矩:200-3500N.M
轴径范围:20-75mm
转速范围:700-1500r/min
产品特征描述
HTP型齿形牙嵌离合器是由2枚全周带齿轮的圆盘在空气压作用下咬合,不滑脱,确实结实
- 高转矩,不滑落
- 因由齿轮的咬合来传达转矩,尽管小型,却无滑落,传达巨大的扭矩。
- 传达的转矩基本为一定值
- 因不受安装误差的影响,传达的扭矩和旋转数无关,基本为一定值。
- 组装简单
- 因为是一体化构造,安装时,不需要调齐齿芯。
- 优越的应答性能
- 因连接和放开,均在瞬间动作,齿轮的飞转也并无损伤,寿命长。
- 可能高速连接
因是气压作动,所以和电磁式比较,可以避免出现电火花,寿命延长且节能环保!
用途/应用领域
使用和针对设备机型:工业自动化、机器人,包装印刷,橡胶轮胎、食品机械、工程机械、各品牌环卫车|洗扫车|扫路车,工程车辆,水泵驱动、电机驱动等传动件
产品别称:气动齿形离合器,气动牙嵌离合器,齿合式离合器

上海韩东机械科技有限公司 致力于“韩东、韩国HAwers ”品牌离合器、制动器的推广、销售及技术解答,务求给用户更完美的服务。
联系方式 : QQ:---
公司***:http://www.handongjx.com